OPEN CONTENT DOCUMENT (draft version) - only for circulation - NEW ITEM PROPOSAL -
Reference number (as case, to be given by the consensus of stakeholders)
Proposer: Technical Open Source
New work item: - dimensional based product specification.
Title of proposal - English title:
"Municipal Castings. Covers, - lids and frames, - for watermeter or drain/storm manholes, - for use in residential areas."
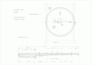
"Particulars of special product; Dimensional specification, - Size 650 mm - 25.80 in."
"Assembly of lid and frame - medium duty loading class -
80, 125, 150 kN / 16,000-40,000 (25,000) LBS."
Envisaged publication type - Private Standard or Workshop Agreement - in form of an open source for 'technical product specification'.
Purpose and justification:
The proposal tries to be in interest of stakeholders in domain of iron castings, civil engineers, to get a consensus concerning the proposal starting from the point of view of end users - in order to go on the market of the product which is the subject of technical open source document.
Relevant documents to be considered: Basic standards, as are: EN124, GOST3634, AS3996 [WSA(A)132-2011], AASHTO(M306), and others.
- - - -
The proposal consists in designs of medium duty manhole covers of 80, 125, 150 kN or 16,000-40,000 (25,000) LBS loading class - in order to be cast by low/medium grade ductile iron (N/sq.mm-%) in compliance with loading class and pieces (and reinforcement) structure.
Note!
Hinges or locking device are not subject of proposal
Due to manufacturer and customer - hinges or/and locking devices may be designed to fit the lids and frames.
Lids (solid, with rod hole):
Frames (square, with round opening):
-seat(ing) detail:










No comments:
Post a Comment